+86 13866650818
首页 / 产品中心 / 液压油缸 / 拉杆油缸带磁感应【可替代parker、力士乐等 进口油缸系列】 /CA单耳+Y接头(拉杆磁感应油缸)

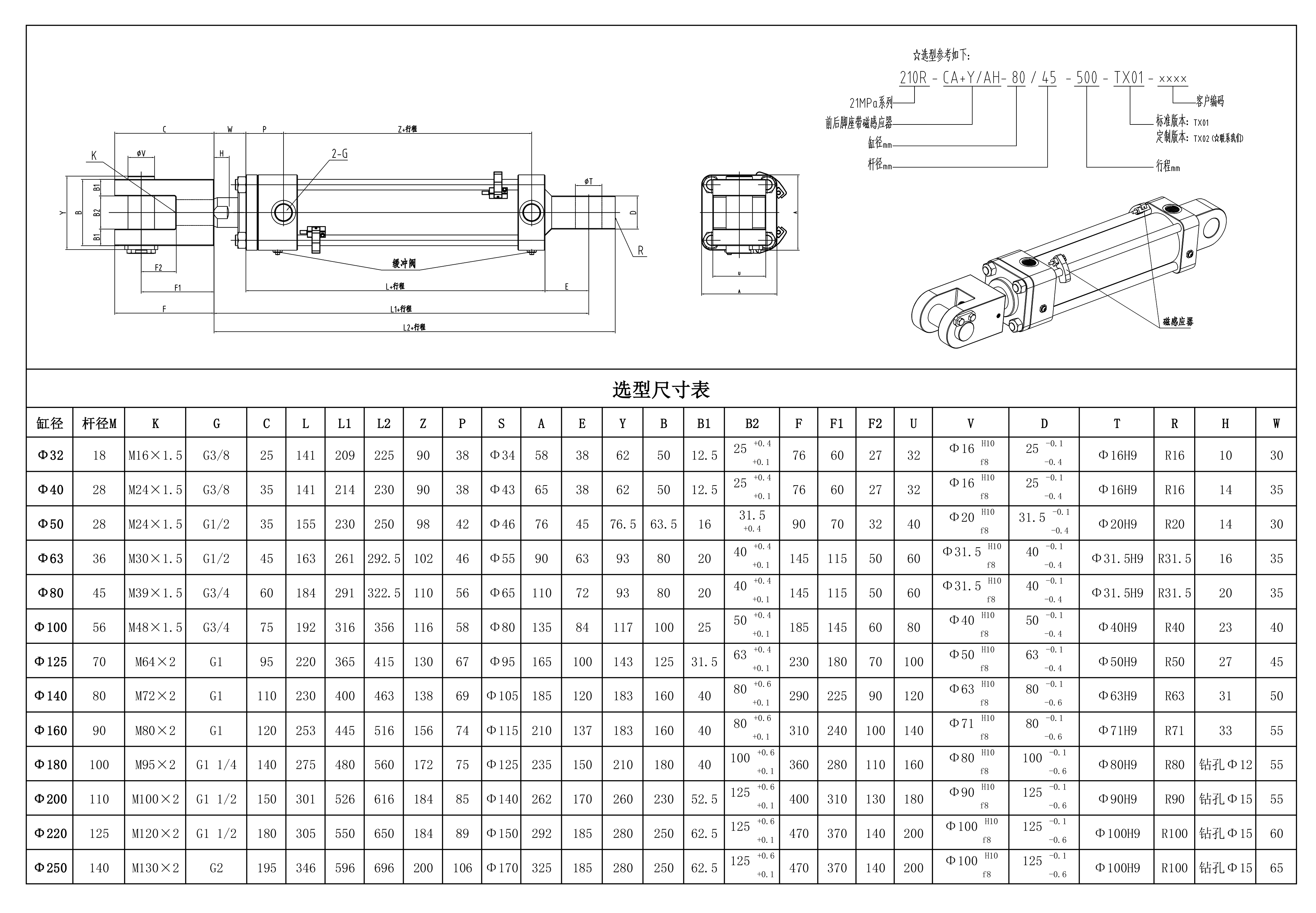
CA单耳+Y接头(拉杆磁感应油缸)

产品介绍

安装形式:CA单耳+Y接头
压力:21MPa (特殊压力等级可定制)
内径:Φ32 Φ40 Φ50 Φ63 Φ80 Φ100 Φ125 Φ140 Φ160 Φ180 Φ200 Φ220 Φ250
缸体为304/316L不锈钢材质,端盖、活塞杆、拉杆均为合金钢材质调质处理;活塞杆表面镀硬铬,端盖表面发黑;内部带双感应磁环,台湾品牌磁感应开关;全套选用进口密封圈。
可选装防尘套。
其他特殊应用,如:耐高温、耐低温、耐腐蚀、特殊介质等需求均可定制。

PDF文件

打开所有
关闭所有

选型参数