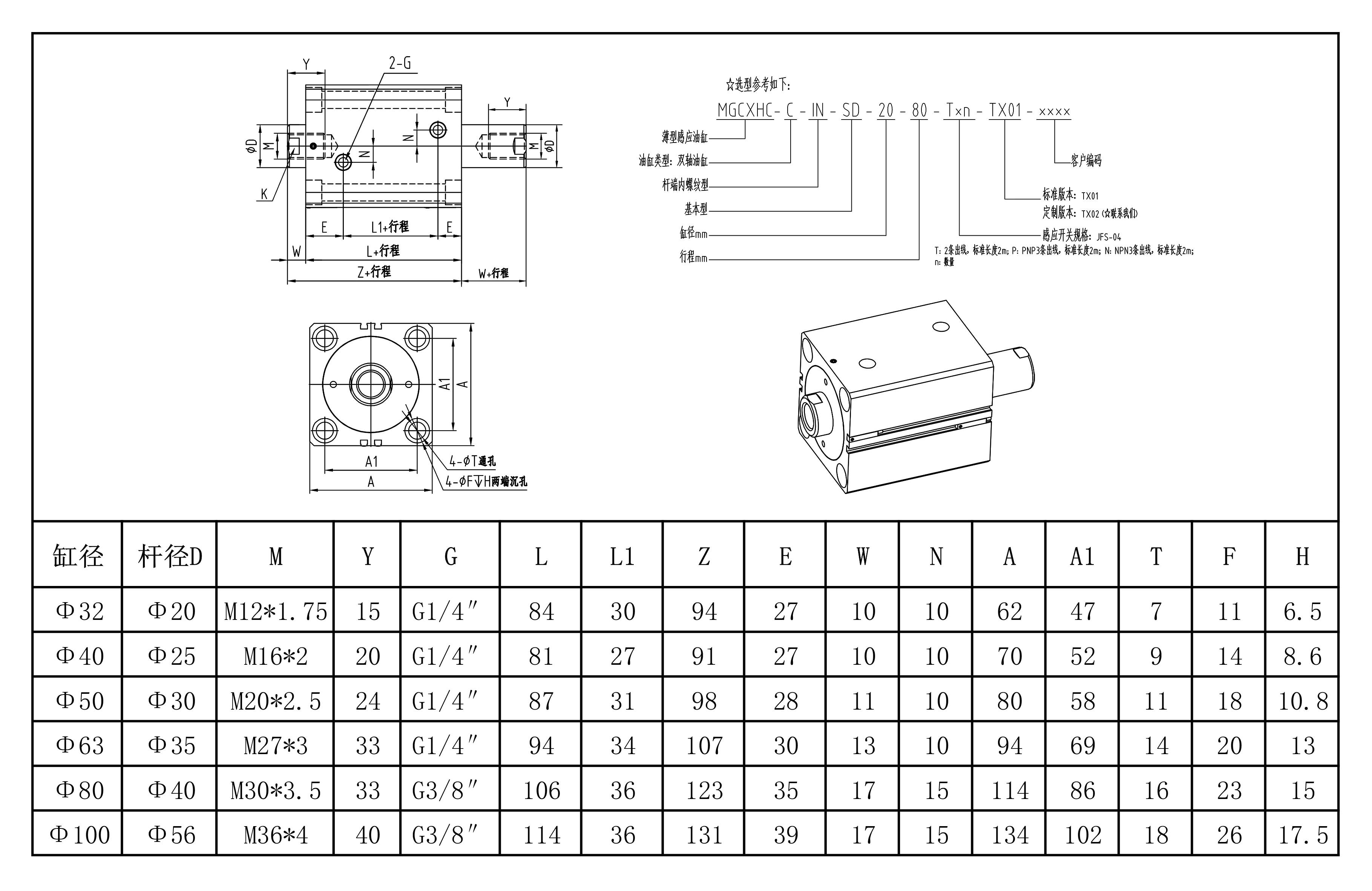
安装形式:SD内螺纹感应式(可调节双作用双活塞杆 )
压力:35MPa (特殊压力等级可定制)
内径:Φ32 Φ40 Φ50 Φ63 Φ80 Φ100
【*Φ125 Φ140 Φ160 Φ180 Φ200 Φ250 Φ280 Φ320 Φ360 Φ400 Φ450 Φ500*特殊规格】
缸体为合金钢材质,缸体、活塞杆、均为合金钢材质调质处理;活塞杆表面镀硬铬,整体表面发黑;全套选用进口密封圈。
可选装防成套;可选位移传感器。
其他特殊应用,如:耐高温、耐低温、耐腐蚀、特殊介质等需求均可定制。
