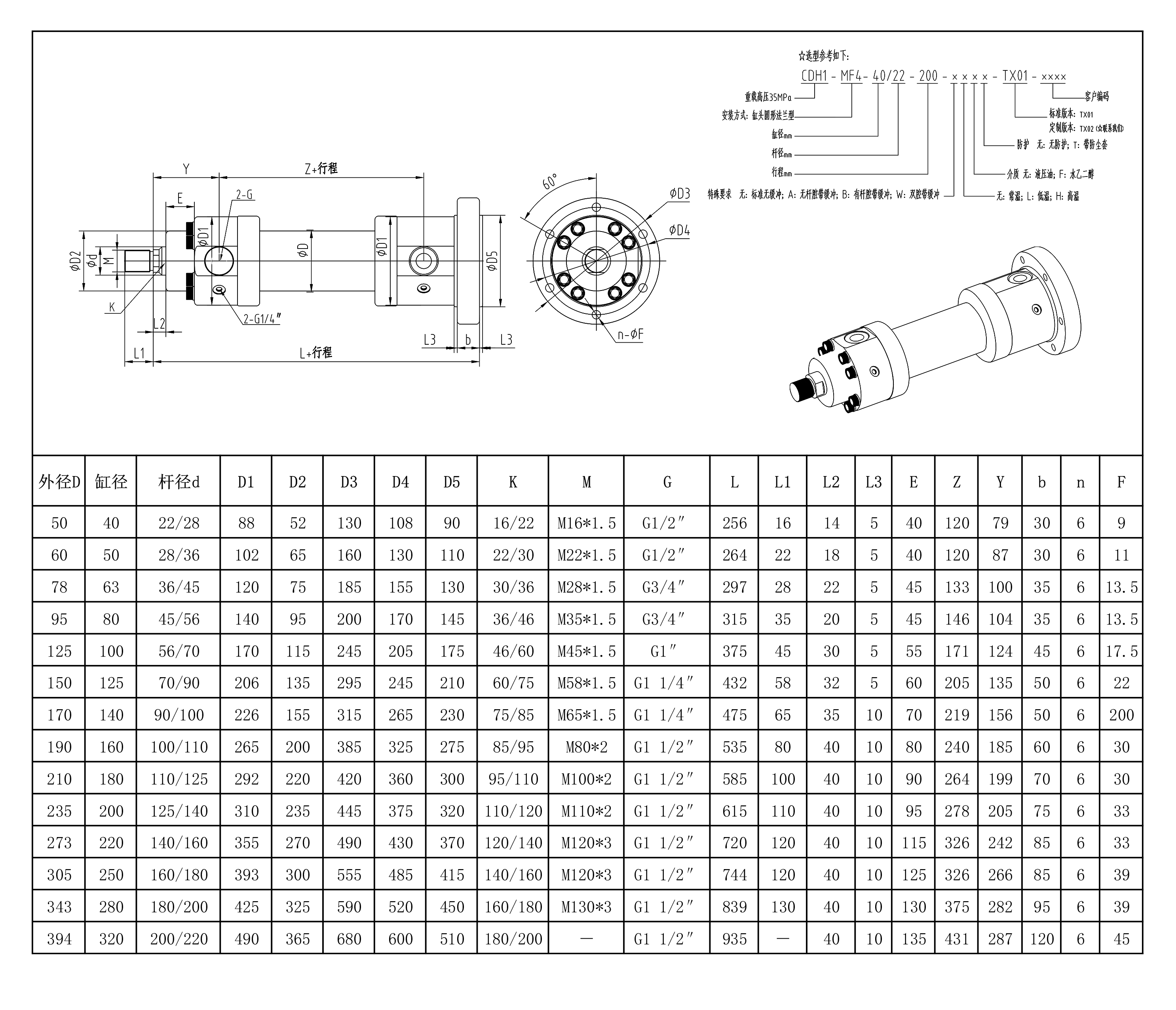
安装形式:MF4后法兰
压力:35MPa (特殊压力等级可定制)
内径:Φ40 Φ50 Φ63 Φ80 Φ100 Φ125 Φ140 Φ160 Φ180 Φ200 Φ220 Φ250 Φ280 Φ320
冶金 矿山 轧机 重载冲击
采用27SIMn调质缸筒、42CrMo调质淬火活塞杆。
可选装防尘套;
可选装内置传感终端位置开关(输出常开或常闭点终端)
可选内置位移传感器(输出 4-20mA或0-10V SSI等结果)
其他特殊应用,如:耐高温、耐低温、耐腐蚀、特殊介质等需求均可定制。
