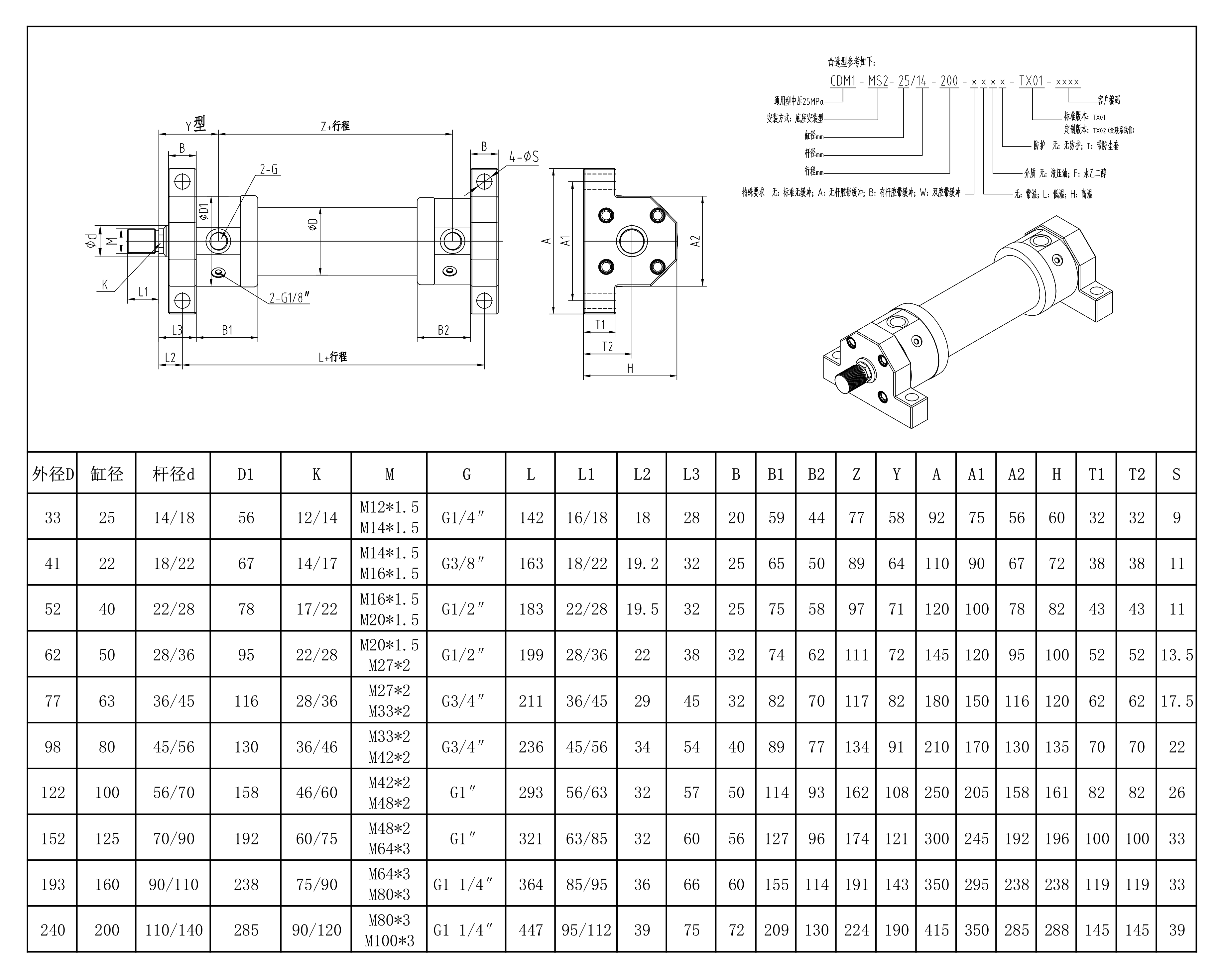
安装形式:MS2底座安装型
压力:25MPa (特殊压力等级可定制)
内径:Φ25 Φ32 Φ40 Φ50 Φ63 Φ80 Φ100 Φ125 【*Φ160 Φ200* 特殊规格】
一般机械设备、自动化夹紧/压装
采用27SIMn调质缸筒、42CrMo调质淬火活塞杆。
可选装防尘套;
可选装内置传感终端位置开关(输出常开或常闭点终端)
可选内置位移传感器(输出 4-20mA或0-10V SSI等结果)
其他特殊应用,如:耐高温、耐低温、耐腐蚀、特殊介质等需求均可定制。
