+86 13866650818
首页 / 产品中心 / 液压油缸 / 焊接油缸【28MPa】【可替代力士乐CDL1系列】 /MT4 AL-φ25-32mm 杆端内螺纹中间铰轴型

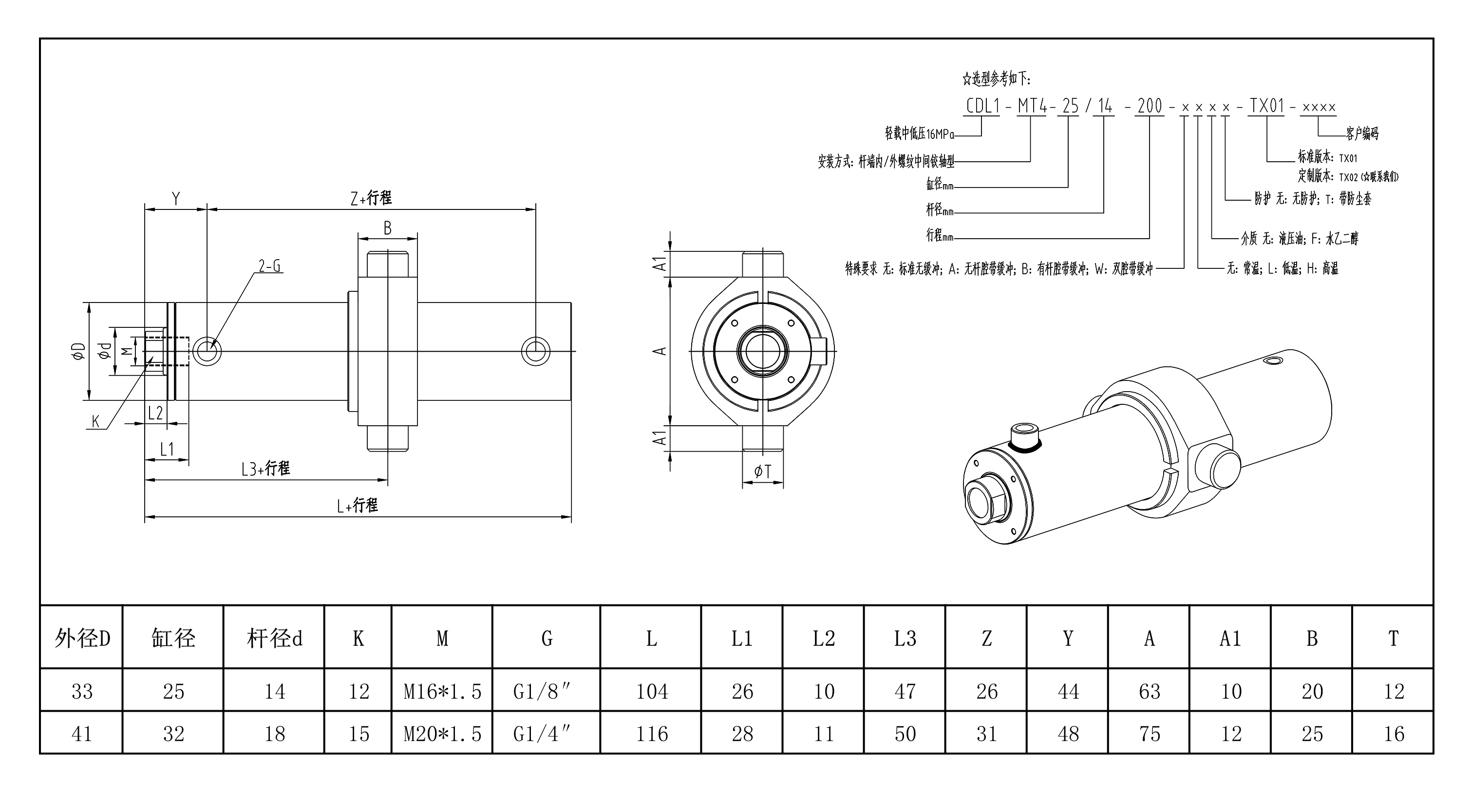
MT4 AL-φ25-32mm 杆端内螺纹中间铰轴型

产品介绍

安装形式:MT4 AL-φ25-32mm 杆端内螺纹中间铰轴型
压力:28MPa (特殊压力等级可定制)
内径:Φ25 Φ32
轻量化设备、尺寸小重量轻、负载小、压力较低的场合
采用进口12.9级的螺栓、采用进口密封件、采用45#调质缸筒、42CrMo调质活塞杆
可选装防尘套;可选装位移传感器,位置开关;可调缓冲等。
其他特殊应用,如:耐高温、耐低温、耐腐蚀、特殊介质等需求均可定制。

PDF文件

打开所有
关闭所有

详细参数